技术前沿 | 铭普BMS变压器再升级 PCB 直接充当 Pin 脚
平板变压器的发展受到政策和行业趋势的推动。国内平板变压器的研究起步较晚,但近年来随着国家对电力改革和电子信息产业的重视,平板变压器产业逐步规范化发展。政策法规的变化促使市场竞争从无序走向有序,推动了平板变压器行业的健康发展。
随着“新基建”战略的推进,相关企业如易事特等也在数字化转型中寻求创新,进一步推动了平板变压器等新型电力设备的发展。
平板变压器作为一种新型的电力变换装置,其核心优势在于其高效、紧凑的设计,能够实现高功率密度和低发热特性。平板变压器通过使用平面磁芯和电路板结构,提升了变压器的效率和稳定性。
铭普光磁推出的这款平板结构的BMS变压器设计。
采用PCB板替代传统的磁环绕线工艺,将线圈集成在PCB板材上,减少制作工艺的复杂程度,实现了变压器的高度集成化和扁平化。平板变压器的扁平化设计使得其散热性能更好,能够有效地防止过热现象的发生,提高了系统的可靠性。
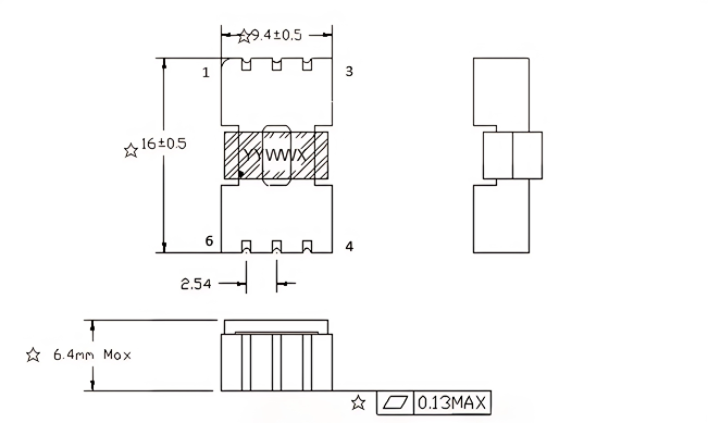
PCB板在磁芯组装位置采用挖槽的方式,来保证磁芯处于悬空状态,以达到PCB在不用下沉、不用植入PIN针的情况下能直接充当PIN脚,与客户焊盘焊接。

体积小:各绕组集成到PCB上,减少整个产品的体积;
效率高:PCB变压器具有较高的能量转换效率,减少能量损耗并提高电路系统的效率;
成本低:降低制作难度,减少人工成本;
可靠性高:利用PCB制造技术,实现高一致性制造,其制造工艺先进,适合机械化生产,性能稳定。
平板变压器的应用场景非常广泛,主要包括以下几个方面:
消费电子产品:如计算机硬件、消费电子产品等;
工业应用:如生产过程中的控制设备、自动化系统等;
医疗设备:用于医疗设备中的电源和信号处理;
通信和电子设备:如音频放大器、开关电源、LED照明等。




作为深耕电力设备领域的参与者,铭普见证并推动了平板变压器从行业初期到规范发展的关键进程。未来,铭普也将持续以技术创新为核心,紧跟行业发展趋势,不断优化平板变压器的性能与应用边界,为推动技术革新、助力相关产业高质量发展贡献更多力量。
铭普商城
集团网站














































